湖南省铁山灌区“十四五”续建配套与现代化改造工程(二期)大成泵站拆除重建工程总承包中标候选人公示
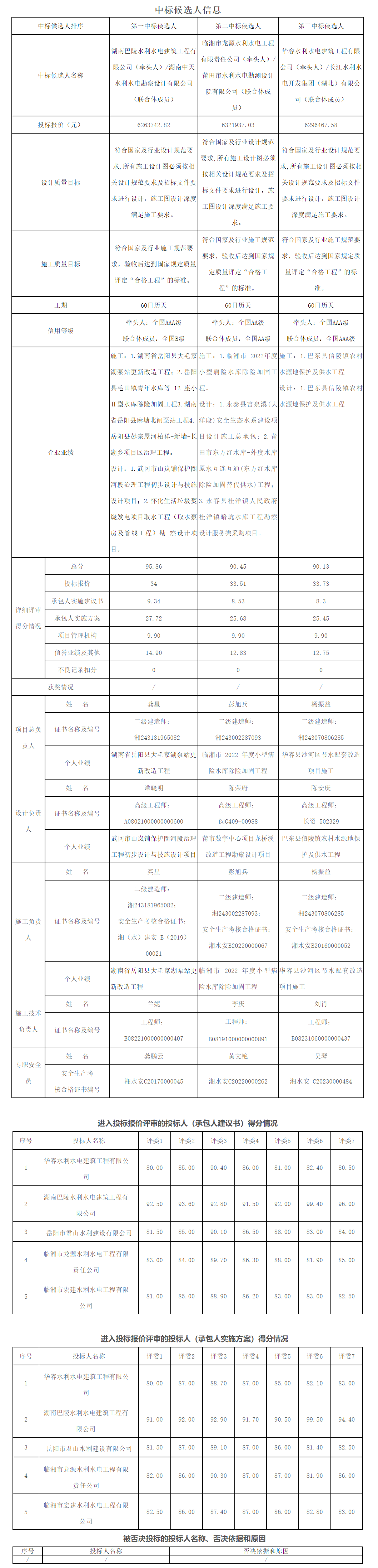
根据招标投标相关法律法规及招标文件的规定,湖南省铁山灌区“十四五”续建配套与现代化改造工程(二期)大成泵站拆除重建工程总承包评标工作已经结束。本项目于2024年2月2日上午9:30在岳阳市公共资源交易中心举行开、评标,评标办法采用“综合评估法”。评标委员会推荐了以下3名中标候选人(排序如下表格),现将相关信息予以公示。
公示期2024年2月6日至2024年2月8日。
公示期为3个工作日,公示期内如对中标候选人无异议,公示期满后,招标人将确定第一中标候选人为中标人。
招标人:岳阳县水利建设项目服务中心
联系人及联系方式:许女士 18274002289
招标代理机构:锦鑫国际工程咨询有限公司
联系人及联系方式:李女士 0730-7623859
监管部门:岳阳县水利局水利工程建设管理和监督股(电话:0730-7633906)岳阳县招标投标综合管理办公室(电话:0730-7667502)

公示期内如有异议,请根据《湖南省招标投标活动投诉处理办法》湘发改法规〔2019〕294号的有关规定,向招标人或招标代理机构书面反映;公示期届满时,对以上中标候选人若无异议,招标人将确定排名第一名的中标候选人为中标人。







